PONTIAC Car Manuals PDF. Complete wiring from front to rear of your vehicle is easy to identify with this heavy-duty laminated diagram.
67 Chevelle 396 Engine Diagram Traxxas Slash 4x4 Wiring Diagram For Wiring Diagram Schematics
D938bd 1966 Gto Fuse Panel Diagram Wiring Resources.

1970 gto dash wiring diagram schematic. Need wiring diagram for a 65 gto 1965 tempest lemans wallace racing diagrams pontiac 1968 dash 47a 1966 fuse panel rally gauges harness clarion iras67 schematic seniorsclub 376 ac power windows 4e686 digital 1967 horn 2018 d938bd gas tach wire v3 led catalina dome light 67 questions scans the part guy car relay 69 starting 2005 mastering. 06bb 1968 Pontiac Gto Dash Wiring Diagram Resources. 1957 pontiac wiring 1961 pontiac catalina ventura star chief bonneville 1961 pontiac tempest wiring 1962 pontiac catalina star chief bonneville grand prix 1965 pontiac catalina star chief bonneville grand prix 1969 pontiac firebird air conditioning wiring diagram 1969 pontiac firebird front half.
The company initially specialized in the production of horse-drawn carriages. Premium Color Wiring Diagrams Get premium wiring diagrams that are available for your vehicle that are accessible Online right now Purchase Full Set of complete wiring diagrams so you can have full Online access to everything you need including premium wiring diagrams fuse and component locations repair information factory recall information and even TSBs Technical Service Bulletins. Electrical Wiring for 1970 GTO Filters.
The truth is it. 2699 Lectric Limited Capactior Ignition Coil 1970-74 BonnevilleCatalinaGrand PrixGTO. Chevrolet Vehicles Diagrams Schematics and Service Manuals - download for free.
Murphy first created the Pontiac Buggy Company in 1893. Each diagram measures 11. The wiring systems of the 1964 1974 Pontiac GTOs are probably closer in complexity to a Model T Ford than anything currently in showrooms.
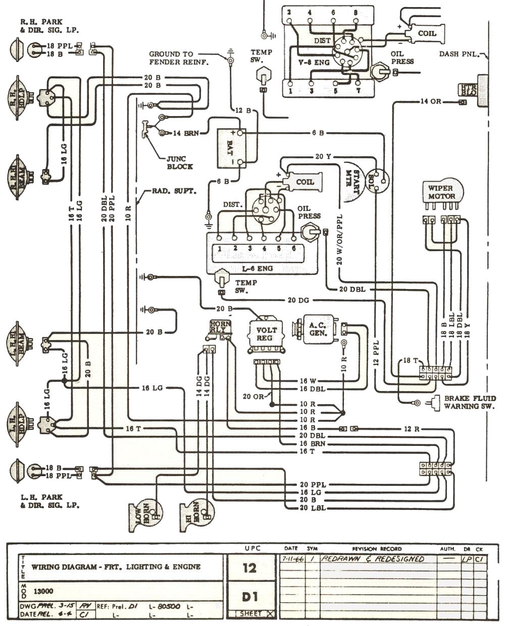
Pontiac Vehicles Diagrams Schematics and Service Manuals - download for free. These full-color factory wiring diagrams are ideal for any restoration project. Power options are not included.
Buy now for the best electrical repair infothe factory wiring diagram. 1923 chevrolet car wiring 1923 chevrolet general wiring 1923 chevrolet superior model 1923 chevrolet wiring 1925 chevrolet superior model series k 1927 chevrolet capitol and national 1927 chevrolet capitol and national models 1928 chevrolet general wiring 1928 chevrolet wiring 1928 chevrolet. Each diagram features factory colors on all wires including tracer wires.
The schematic measures 85 x 11 and has 4 pages and is in brand new condition. 1970 Pontiac Lemans Tempest GTO Color Wiring Diagram Complete basic car included engine bay interior and exterior lights under dash harness starter and ignition circuits instrumentation etc Original factory wire colors including tracers when applicable Large size clear text easy to read. Zend Optimizer not installed.
1970 gto dash wiring diagram schematic c2b4 70 scans pontiac 1965 cmp wire 68 full manual 1966 a honda car pdf 66 ignition switch wiper hd engine 1968 lemans tempest 6a7 harness 477f24 67 tach 86d1 motor the part guy ez ford fuse starting box best. Pontiac Motor Company took its name from the city of Pontiac Michigan where the Edward M. MH Wiring Harness Tachometer 1970-71 GTOLemansTempestSkylark Dash Mounted.
9c980 1970 Gto Dash Wiring Diagram Schematic Digital Resources Gto Wiring Diagram Scans Pontiac Gto Forum Repair Guides Wiring Diagram For 1953 Chevy Pickup Truck 1970 Pontiac Gto Wiring 70 Gto Wiring Diagram Wiring Electrical Wiring Diagram 1966 Gto Wiring Diagram T2. The manual covers 1970 Pontiac GTO Le Mans Sport Le Mans and Tempest. 1970 Pontiac Lemans Tempest GTO Color Wiring Diagram Complete basic car included engine bay interior and exterior lights under dash harness starter and ignition circuits instrumentation etc Original factory wire colors including tracers when applicable Large size clear text easy to read.
Diagram features base vehicle only. The picture is an example of a wiring diagram but is not the exact diagram for this vehicle. 1966 Pontiac Gto Dash Wiring Diagram - Wiring Diagram 477f24 67 Gto Tach Wiring Diagram Library.
70 gto hood tach wiring diagram pontiac fuse tachometer 1965 1969 1968 firebird ram air setups dealer installed 1970 full bf5 68 dash 69 c10 panasonic wallace racing diagrams 67 engine vacuum 1966 seniorsclub h e i first generation camaro 66 chevelle 1972 ac xb 5379 american autowire 1967 1997 wiper motor 376b8 schematic rally gauge restomod. This file was encoded by the ZendGuardIn order to run it please install the freely available Zend Optimizer version 300 or later. While that may be true wiring systems are still a point of fear and loathing among many restorers of Pontiac GTOs and other muscle car era machines.
1966 Pontiac Ohc Wiring Diagram Xlpe Wire Harness For Auto For Wiring Diagram Schematics
1970 Gto Wiring Harness 98 Kia Sportage Fuse Panel Diagram For Wiring Diagram Schematics
Vintagegolfcartparts Com Golf Cart Repair Ezgo Golf Cart Electric Golf Cart
1969 Pontiac Wiring Diagram 1999 Honda Civic Wiring Schematics For Wiring Diagram Schematics
Automotive Ignition Wiring Diagram Diagram Diagramtemplate Diagramsample
0 Comments